สัปดาห์ที่ 2 วงจรเรียงกระแสและการกรองแรงดันไฟฟ้าด้วยตัวเก็บประจุ
แบบฝึกหัด
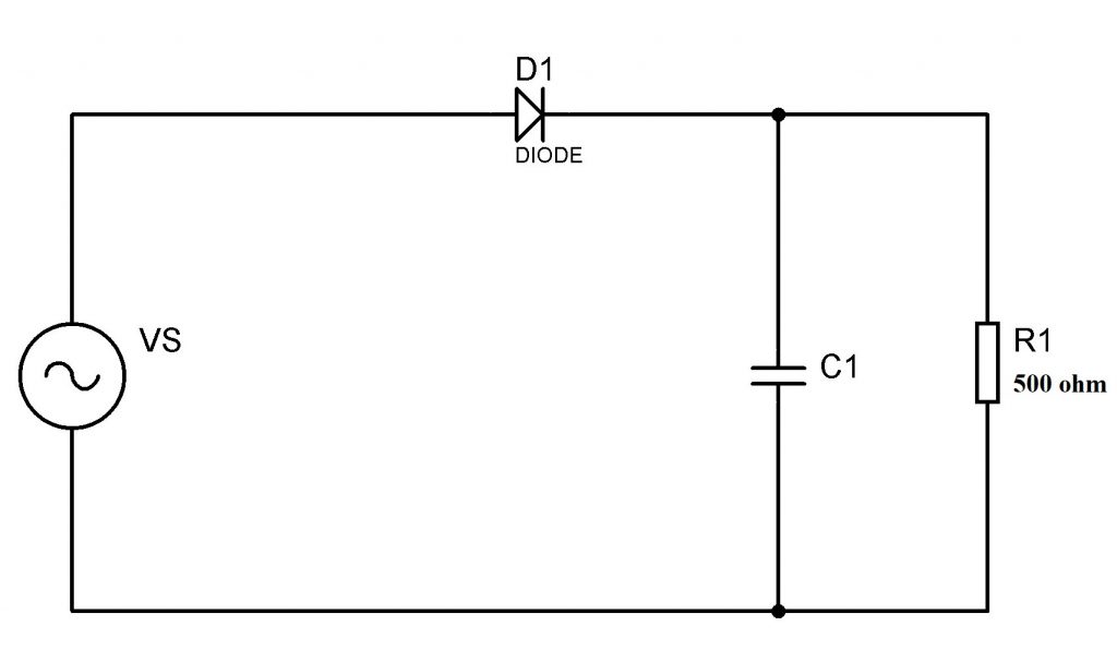
1. ต่อวงจรการทดลองวงจรเรียงกระแสแบบครึ่งคลื่น
กำหนดให้ Vs = 10 Vpp, R1 = 500 Ω

2. ทดสอบและบันทึกผลการทดลอง

3. วาดกราฟความสัมพันธ์ระหว่าง Vripple กับค่าตัวเก็บประจุ และ กราฟความสัมพันธ์ระหว่าง VDC กับค่าตัวเก็บประจุ
** ส่งเป็นไฟล์รูปภาพหรือไฟล์ pdf ภายในวันศุกร์ที่ 6 ส.ค. 64
*** กรุณา Login เข้าระบบก่อนส่งงานทุกครั้ง ***